The content is published under a Creative Commons Attribution Non-Commercial 4.0 License.
Reviewed Article:
An Experimental Approach to Assessing the Tempering and Firing of Local Pottery Production in Nubia during the New Kingdom Period
Recently, the development of an independent strand of study, known as the ‘archaeology of dung,’ has resulted in numerous cross-geographical publications confirming the use of animal dung in archaeological deposits as the main fuel source and several other purposes. Most of these studies focus on the analysis of the microscopic evidence attributable to dung, combining multi-proxy approaches to investigate the biological components and potential markers of herbivore dung, as well identifying archaeobotanical indications from dung pellets and related sediments. Less numerous are studies concerning the identification of dung as a tempering agent in ceramic material. In this paper, we aim to replicate, observe, and discuss the recipe utilised by the ancient potters of Sai Island (northern Sudan) in the New Kingdom period (Late Bronze Age, c. 1500-1070 BCE) using an experimental approach. We aim to discuss the possible adoption of organic inclusions, and especially animal dung, as tempering agents to produce some of the locally made Nubian and Egyptian style ceramics.
Introduction
Ceramologists usually apply the term style to describe the set of visual (i.e., decorative and morphometric) attributes of a ceramic object (see, e.g., Rice, 2015, pp. 388-410). The term fabric is mainly employed in petrographic and technological studies to indicate the physical characteristics of the material (i.e., clay paste composition) a pot is made from ( Nordström and Bourriau, 1993, p. 162). In a broad sense, the concept of style, understood not only as an aesthetic quality of the vessel but also as “technological style” (sensu Lechtman, 1977), may encompass the definition of fabric. This would include the entire sequence of actions and gestures (chaîne opératoire) performed, more or less deliberately, by the potter to transform raw clay material into fired ceramic.
In other words, a ceramic style can be thought of as a recipe traditionally used, at a certain time and place, by ancient potters to produce vessels through which they become identified and preserved by a past society, and eventually by archaeologists, as a (specific) technological tradition.
This recipe calls for clay, water, and non-clay additives in the form of natural inclusions and/or tempering agents, which are the raw materials necessary to produce the pot. The manner in which these raw materials were selected, or otherwise discarded, and then prepared, according to a rigorous sequence of steps to form a particular chaîne opératoire, was dependent not only on a series of circumstances related to the physical characteristics, performance, and functionality of the materials per se, but also on the environmental, economic, socio-cultural, and ideological context in which the single potter or group of potters have made their choices (Sillar and Tite, 2000; Müller, 2016; Warden, 2021).
Using an experimental approach, we aim to replicate, observe, and discuss the recipes utilised by the ancient potters of Sai Island (northern Sudan) at the time of the New Kingdom period (c. 1500-1070 BCE). We will discuss the possible adoption of organic inclusions, and especially animal dung, as tempering agents, to produce some of the locally made Nubian and Egyptian style ceramics.
The case study: New Kingdom Nubia
During the Egyptian New Kingdom, ancient Nubia (northern Sudan) was conquered by the Egyptian Empire, in an era known as the colonial period (see, e.g., Smith, 2021). In this period, the Egyptians built various settlements along the Middle Nile Valley known as ‘temple towns,’ which worked as centres of colonial power and administration (Budka, 2020). These walled settlements usually included a stone temple, magazines, and other functional buildings and houses.
At first glance, the material culture retrieved from these colonial temple towns appears Egyptian in style. A more detailed assessment, however, clarifies that the objects reflect regional styles and demonstrate the influence of the Nubian inhabitants who lived there prior to the Egyptian conquest and who continued to live there alongside the Egyptians. Ceramics are an excellent medium for illustrating the intermingling of cultures. New Kingdom pottery from Nubian temple towns is very similar to the corpora from Egypt but the New Kingdom pottery shows regional and local aspects that can be interpreted as an indicator of cultural entanglement ( Budka, 2020 with references).
New Kingdom pottery from temple towns was largely wheel-made in an Egyptian style. A small proportion of the vessels were handmade in Nubian styles (See Figure 1). The main differences between these styles are the shaping methods ‒ wheel-made for Egyptian and handmade for Nubian1 ‒ and the fabrics. Egyptian fabrics comprise Marl clays extracted from various calcareous formations in Egypt and Nile clays available throughout Egypt along the Nile valley. Nubian fabrics used silt deposits as raw material, but in direct comparison to Egyptian style Nile clay wares, the Nubian vessels differ in tempers and a different appearance caused by the firing process (see below). There are also differences in shapes and, especially, in surface treatment (Arnold, 1993, pp. 85-102). Egyptian style pottery of the New Kingdom is often washed, sometimes burnished and painted, whereas Nubian style pottery is regularly wet-smoothed, sometimes polished and often decorated with impressed and/or incised patterns.
Evidence for pottery production, workshops, and kilns in New Kingdom Nubia is limited. Wasters and unfired sherds at various sites clearly attest to the local production of Egyptian style pottery (see Budka, 2019 with references). Furthermore, some locally produced Nile clay pottery vessels were modelled on Egyptian types but with a ‘Nubian’ influence to the surface treatment, production techniques, or decoration. Such hybrid vessels can be considered as evidence of “material entanglement”, indicating a complex mixture of lifestyles during the New Kingdom (Budka, 2020, pp. 410-412).
The question of specific, local, and/or mixed lifestyles in the New Kingdom temple town of Sai was investigated within the framework of the AcrossBorders project (Budka, 2020). Pottery, as the most common group of material culture, was of key importance. Several highly relevant questions arose about the ancient potters. Aside from imported pottery (from Egypt, the Levant, the Mediterranean, and elsewhere), the town of Sai yielded a large amount of locally produced Egyptian style pottery. Who were the people producing these pots? We sought to gain an understanding of the identity of the potters in Sai, and more generally, in New Kingdom Nubia, and whether one and the same person could produce both wheel-made and handmade wares in so-called Egyptian and Nubian styles.
On Sai, an industrial workshop for Egyptian style pottery seems likely, but details relating to the ceramic production in this temple town remain unclear. Close links between Egyptians and Nubians are evident. It seems plausible to assume that Egyptians trained Nubian potters in the production of wheel-made ceramics. However, the skills of Nubian potters might also have impressed Egyptian potters coming to Nubia, especially with regard to surface treatments. It is likely that production patterns and the identity of the potters changed during the occupation of the town of Sai, reflecting colonial encounters.
The same raw material, Nile silt clay of various qualities, was used in both Nubian and Egyptian pottery styles (D’Ercole and Sterba, 2018; see also e.g., Carrano, et al., 2009; Spataro, et al., 2015). The firing tradition, however, seems to contrast - predominantly using kiln firing for wheel-made pots and mostly firing in bonfire for handmade pots. This resulted in various appearances due to an oxidising or reducing firing process.
The use of organic inclusions for making pottery
At present, the use of organic materials as tempering agents for making pottery is widely documented in archaeology (see among others, Fuller, 2013; Dumpe and Stivrins, 2015; Mariotti Lippi and Pallecchi, 2016 ; Moskal-del Hoyo, et al., 2017; Dzhanfezova, 2021), with the first studies and experiments on organic-tempered ceramics attested from the 1980s (e.g., London, 1981; Reid, 1984; Skibo, et al., 1989). According to techno-functional studies, organic-tempered pottery resulted in specific performance characteristics. During the manufacturing process, the addition of organics (e.g., plant fibres and animal dung) increases the plasticity of the clay, facilitating the preparation of the paste, especially in handmade vessels formed by coiling (Skibo, et al., 1989). Furthermore, vegetal tempers and dung inclusions were known to enhance vessel porosity, whereas charcoal may block the circulation of humidity and thus increase impermeability (Velde and Druc, 1999). Organic-tempered vessels were often lighter in weight than mineral-tempered pottery due to their porosity, making them more portable. The open porosity produced by the addition of animal dung and/or plant fibres also helps during the drying and firing phases (i.e., preventing shrinkage cracks) and facilitates the absorption of a clay slip (London, 1981). Finally, organic-tempered ceramics have good thermal conductivity although their thermal resistance/effectiveness is not as good as mineral-tempered vessels (Hein, et al., 2008; see also Müller, et al., 2013; Müller, 2016).
Ceramics tempered with organics are widespread, not simply because they perform as well or better than mineral-tempered pottery. Beyond the functional evidence, the use of organic inclusions often has a cultural significance that can be linked to the economic and social context of production. For instance, the presence of faecal spherulites derived from the addition of animal dung observed by Biton, et al. (2014) in the fabric of PPNB pottery from Kfar Hahoresh (Israel) suggested a close spatial connection between the activities of pottery production and animal husbandry (see also Gibbs, 2015).
In general, it is common sense to assume that the use of organic inclusions such as vegetal fibres and herbivore manure is connected mainly to farming and pastoral societies, that is, in chronological terms, starting from the “Neolithic” period onwards. However, in many areas of the world (e.g., China, Japan, the Russian Far East, and the Transbaikal region), organic tempering has been documented since the Late Pleistocene among hunter-gatherer societies, i.e., at the inception of ceramic technology (see among others, Tsydenova, et al., 2017; Yanshina, 2017; Wang and Sebillaud, 2019).
In Sudan, except for the so-called Karmakol pottery in the Dongola Reach and Fourth Cataract (c. 6500-6100 cal BCE), which is often vegetal-tempered (Gatto, 2006), a large part of the ceramic assemblages produced by the “Mesolithic” cultures of the Early Holocene (c. 8500-4000 cal BCE) are tempered with quartz and other mineral inclusions. The systematic use of organic tempering starts later, approximately in the fifth millennium BCE, which corresponds to the “Neolithic” period and early food-producing cultural complexes (for an overview, see Garcea, 2020; D’Ercole, 2021).
In Nubia (northern Sudan), Nordström (1972) was one of the first scholar to identify and describe the presence of organic material within the local Abkan, Group-A, and so-called Nubian-type ceramics. Several researchers after him also documented the presence of organic matter and plant residues in Neolithic and Post-Neolithic Nubian and Sudanese ceramics (see among others, De Paepe and Brysse, 1986; Keding, 2006; D’Ercole, 2017; Winchell, et al., 2017). In Nubia, especially, the manner of tempering ceramics with organics is a long-standing and successful tradition that has survived from the New Kingdom period to the present day (D’Ercole, et al., 2017a; 2017b).
The question for New Kingdom Nubia is whether this long-standing tradition changed in Egyptian contexts during the colonial experience. Are tempering procedures traceable across the boundaries of wheel-made and handmade wares? Or, are there specialised means of tempering specific vessels? At first glance, Egyptian and Nubian ceramics are both dominated by organic inclusions, which differ in appearance. Does pottery tempering attest to cultural entanglement traceable to other materiality in colonial Nubia? Or, rather, does pottery technology mirror various cultural identities and social groups?
Which type of organics?
Organic tempering agents comprise a large set of non-mineral inclusions that can be found naturally in raw clay material as relicts from soil (see e.g., Cabadas-Báez, et al., 2018) or deliberately added by the potter during the preparation of the paste. Plant remains, carbonaceous matter, ash, shells, bones, foraminifer microorganisms, and eventually animal dung are all examples of organics.
Some of these materials pose no difficulty for ceramologists to identify, such as maritime shells, which are relatively straightforward to recognise in ceramic pastes even with the naked eye. The addition of animal dung, however, can be rather tricky to detect in fired pottery. In the first place, this depends on the preservation conditions of its biological signatures or micro-markers (e.g., faecal spherulites, ash pseudomorphs, phytoliths, and coprophilous fungal spores), which are all badly affected by the firing (Canti and Nicosia, 2018; Amicone, et al., 2021). Spherulites can easily dissolve in highly moist soils or in archaeological deposits characterised by high pH conditions since they are made of calcium carbonate (Lancelotti and Madella, 2012; Spengler, 2019). Their formation also depends on the specific physiology of the animals that produce them, with the largest numbers of spherulites being produced only in ruminants (Canti, 1999, p. 254).
The recognition of animal dung in fired pottery becomes even harder when looking just at the micro- and/or meso-evidence that can be detected petrographically or based on an autoptic assessment of the ceramic material, that is, observing the relicts left by the combustion of organic matter. According to Livingstone Smith (2001), small, tubular, ‘needle-like’ vegetal remains may suggest the use of dung as a temper. Otherwise, plant fibre appears in ceramic pastes as flat, fibrous, and often longer fragments. In his analysis of Nubian pottery, Nordström (1972, p. 52) reaches similar conclusions, noticing that the chaff-tempered pottery is generally coarser in texture than dung-tempered ceramics; the fibrous straw inclusions being larger in the former than in the latter. The issue, however, is more complex than this. In fact, the morphology and size of the dung inclusions depend on the animals that yielded the dung, the animal size, and the quality of the food they digested. How the material is prepared and added (e.g., fresh, dry, burned) will also influence the size and shape of the remains found in the pottery (Abbink, 1999, p. 125).
The main purpose of this experimental study is to observe the size and morphology of diverse types of dung inclusions added to ceramic pastes using optical microscopy, to identify possible morphological parameters and start building an experimental reference collection of archaeological ceramics.
The experimental approach for assessing tempering of ceramics on New Kingdom Sai Island
Materials and experimental protocol
Two different samples of clay, labelled “A” and “B,”, were selected from Sai Island in northern Sudan for this experimental protocol. Sample A (ED/14/SAI/11) is an alluvial silty clay collected from the riverbanks in the backwaters of the modern Nile, just next to the New Kingdom town. Sample B (ED/14/SAI/12) was collected from a high-level deposit in the area of the Meroitic cemetery (site 8-B-5.A, see Francigny, 2014), also near the New Kingdom town of Sai (Budka, 2020, 32, Tab. 3) (See Figure 2).
These two clays were selected to illustrate low and high alluvial deposits as potential raw material for silt fabrics. Sample A is a typical alluvial riverbank clay likely to have been used in antiquity. Sample B from a high-level deposit might also have been exploited as raw material since it is located close to the ancient settlement.
Fine alluvial sand, microcrystalline calcite (micrite), charcoal, and dung from goats, cattle, donkeys, and horses were added to the clay as tempering materials. Except for the horse dung, which comes from Austria (near Asparn an der Zaya, district of Mistelbach) and is unlikely to have been used in ancient Sudan as tempering material, all the other tempers, organic and non-organic, were collected at Sai Island near the New Kingdom town.
The experiment was held in June 2014 at the “MAMUZ” open-air museum in Asparn (Lower Austria) as part of the AcrossBorders’ cooperation with the experimental archaeology class organised by the University of Vienna. The project required the preparation of seventeen clay test discs, c. 9 x 9 cm in size with a thickness of c. 1.5 cm. The test discs were prepared over three days and, on a later date, fired according to a scientific protocol. The protocol consisted of four steps, which correspond to the following stages of the manufacturing sequence:
- Preparation (26-27.06.2014)
- Production/forming (27.06.2014)
- Drying (27-28.06.2014)
- Kiln firing (06.08.2014)
Preparation
The tempers were prepared by one person and took approximately one hour to complete. The sand was added without being sieved or ground, whereas the calcite and the organics were ground by using two gneiss stones (See Figure 3a). At the time of preparation, the organics were completely dry. The grinding was coarsely done purposely , taking care to leave some fibres intact in order to obtain a heterogeneous fibre-sizes mix, ranging from < 1 to 3 mm (goat and cattle dung) up to 10 mm (donkey and horse dung). It is worth noting that not only the size but also the morphology and the width of the fibres varied depending on the type of dung. The goat dung also contained seeds.
For the preparation of the clay, we employed the same gneiss stones used for grinding the tempers. In addition, three mortars made of different stone were used. The preparation of sample A (by four people) took slightly over one hour, while sample B (prepared by two people) required three hours (including a break). During the preparation, it was noticed that sample B was sandier and harder to manipulate than sample A. Once pounded; the clay was mixed with a little water and kneaded by hand until a homogeneous and plastic paste was obtained (See Figure 3b).
Production/forming
The test discs were formed by two people and took approximately two hours. The two sources of clay were divided into equal amounts by forming little clay balls (See Figure 4). Sample A yielded eight test discs, while sample B yielded nine discs. Samples 1A and 1B were made of only clay (152 grams), whereas the clay (163 grams) in the following samples was mixed in succession with the various tempering agents. Sample 9B was tempered with a double amount of horse dung (See Table 1 and Figure 4).
To promote cohesion between the clay and the tempers, a small amount of water was added to the paste. At the same weight, the coarser dung from donkeys and horses resulted in a larger volume than the fine dung from goats and cattle.
| Clay A (ED/14/SAI/11) | Clay B (ED/14/SAI/12) | ||
| 1A | only clay | 1B | only clay |
| 2A | clay + sand (5 g) | 2B | clay + sand (5 g) |
| 3A | clay + goat dung (3 g) | 3B | clay + goat dung (3 g) |
| 4A | clay + cattle dung (3 g) | 4B | clay + cattle dung (3 g) |
| 5A | clay + donkey dung (3 g) | 5B | clay + donkey dung (3 g) |
| 6A | clay + horse dung (3 g) | 6B | clay + horse dung (3 g) |
| 7A | clay + charcoal (3 g) | 7B | clay + charcoal (3 g) |
| 8A | clay + calcite (3 g) | 8B | clay + calcite (3 g) |
| - | - | 9B | clay + horse dung (6 g) |
Table 1. Sets of test discs formed of clay A and B.
Drying
The test discs were dried in the open air for four (series A) and two (series B) hours. Later, they were placed close to the fire, c. 30 cm from the flame and not in direct contact with the ash (See Figure 5). In leather-hard condition, each sample was divided into two equal halves. One half was kept apart and left unfired, while the other half was fired later (see 4.1.4). The samples were left to dry for approximately two hours. They were removed from the fire in the evening, and the procedure was repeated the next day under the same conditions.
When dry, the colour of clay A was a greyish yellow brown (10 YR 5/2) and clay B was a dull yellow orange (10 YR 6/3).
After the drying, it was noticed that the first series of samples (A) presented with many shrinkage cracks, whereas fewer cracks were visible on samples from series B (See Figure 6). This was because clay A was more plastic and had a greater volume/mass compared to clay B, resulting in a greater loss of water after drying. Numerous shrinkage cracks were especially noticed on sample 7A (clay A tempered with charcoal). To check the decrease in water, the samples were weighed twice: first after one day of drying and once again after one week (See Table 2).
Looking at the data in Table 2, we observe that the first series of samples (A) underwent a significant drop in weight (c. 30-40 grams) after the first day, while the weight the samples lost after one week was less significant (c. 10 extra grams). In this series, the decrease was particularly significant in sample 7A (tempered with charcoal), which also showed more shrinkage cracks.
In the second series of samples (B), the decrease in weight was more evenly distributed in time, so, even if the total loss was roughly the same, the shrinkage was less. In any case, the decrease in weight seems to mainly depend on the raw material rather than on the type of temper used.
| Original weight | After 1 day | Loss | After 1 week | Total loss | Original weight | After 1 day | Loss | After 1 week | Total loss | ||
| 1A | 152 | 119 | 33 | 109 | 43 | 1B | 152 | 126 | 26 | 113 | 39 |
| 2A | 168 | 131 | 37 | 121 | 47 | 2B | 168 | 139 | 29 | 124 | 44 |
| 3A | 166 | 130 | 36 | 120 | 46 | 3B | 166 | 134 | 32 | 119 | 47 |
| 4A | 166 | 129 | 37 | 119 | 47 | 4B | 166 | 135 | 31 | 121 | 45 |
| 5A | 166 | 132 | 34 | 121 | 45 | 5B | 166 | 134 | 32 | 120 | 46 |
| 6A | 166 | 130 | 36 | 119 | 47 | 6B | 166 | 141 | 25 | 124 | 42 |
| 7A | 166 | 123 | 43 | 115 | 51 | 7B | 166 | 135 | 31 | 123 | 43 |
| 8A | 166 | 128 | 38 | 119 | 47 | 8B | 166 | 132 | 34 | 120 | 46 |
| - | - | - | - | - | - | 9B | 169 | 146 | 23 | 126 | 43 |
Table 2. Weight (expressed in grams) of samples from series A and B before and after the drying.
Firing
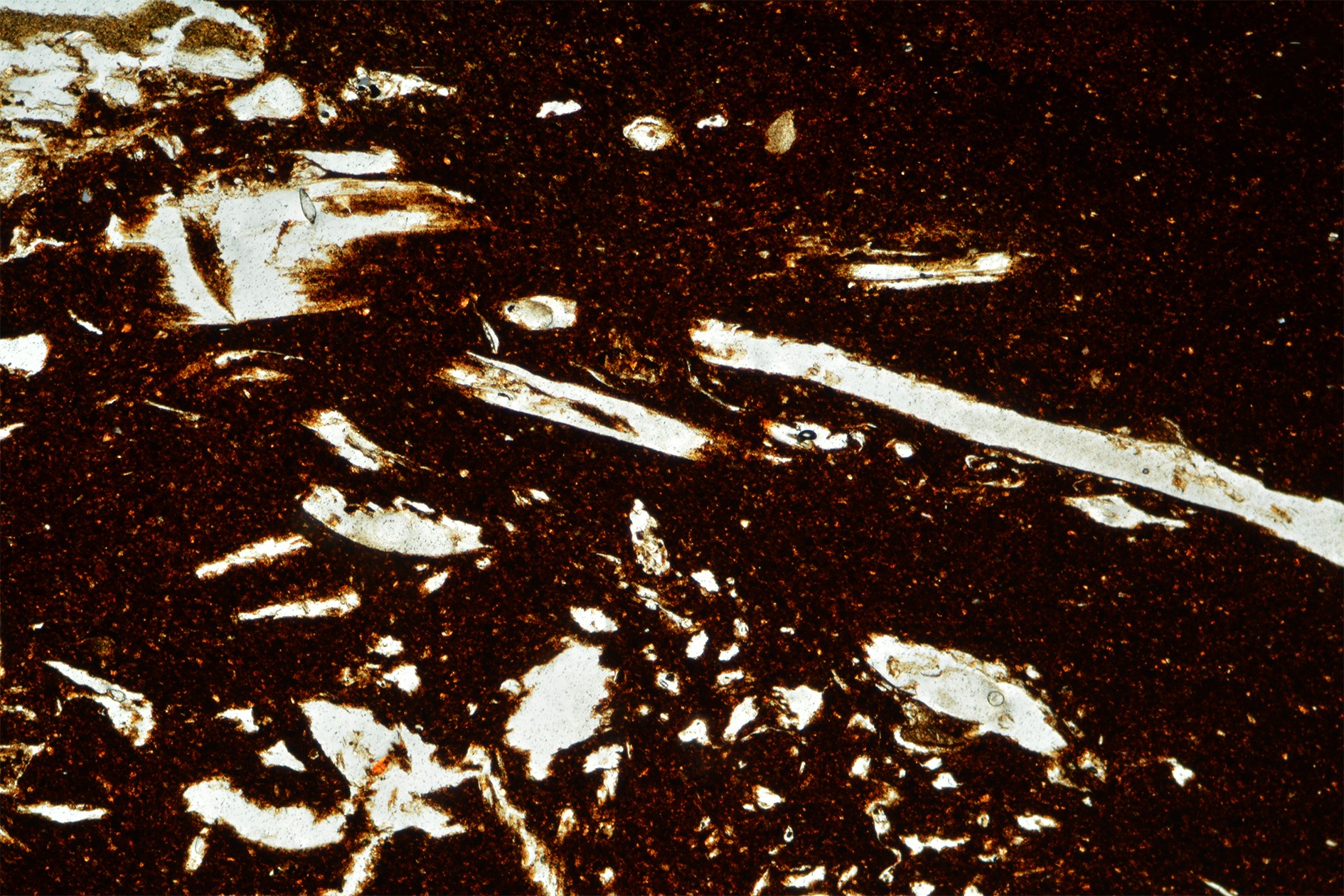
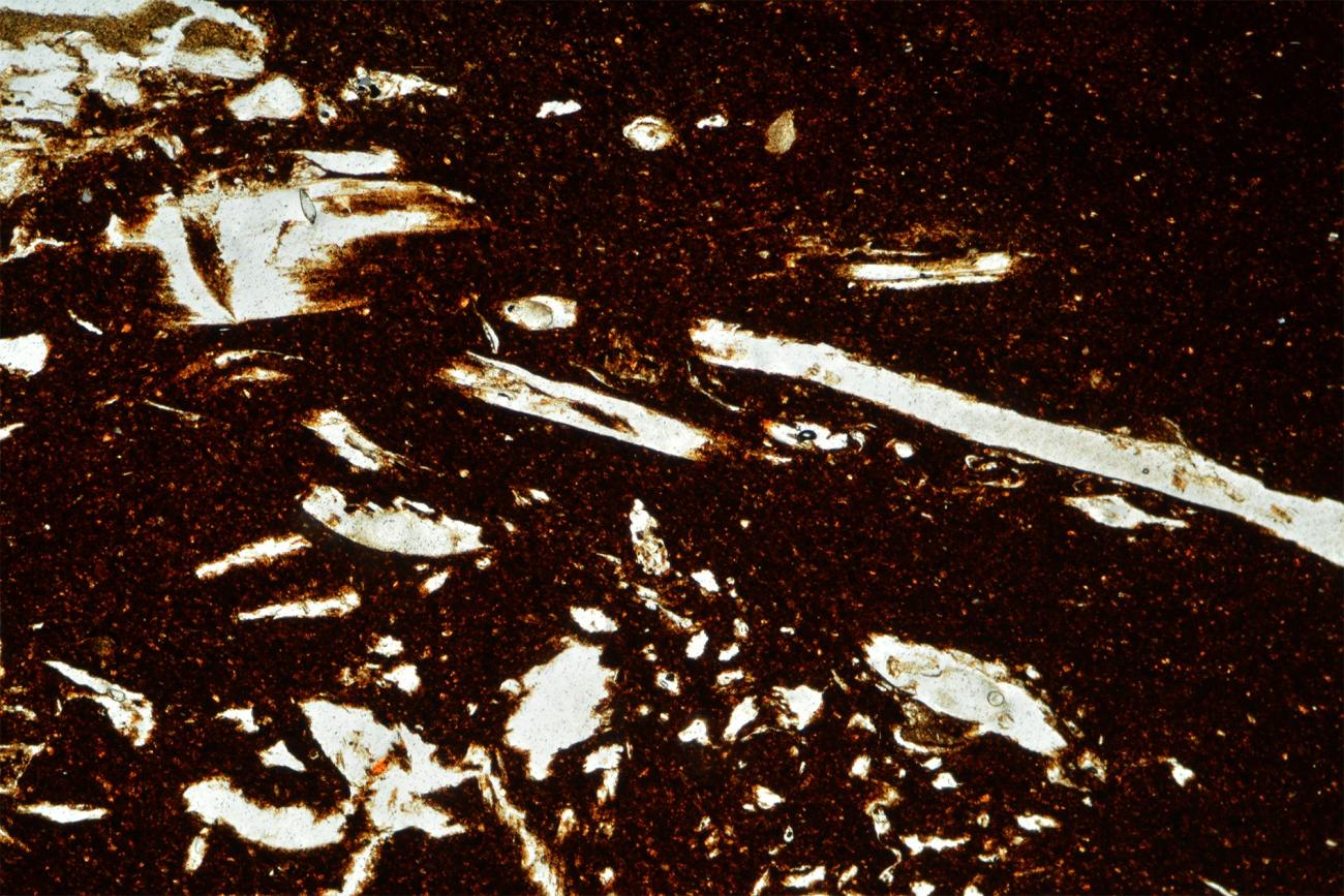
The samples were fired in a two-level shaft kiln in Brunn am Gebirge, Austria. Wood was utilised as fuel, and the samples were placed in two dishes in the top part of the kiln. The firing took four hours and fifteen minutes (11 am to 3.15 pm), and the dishes containing the samples were removed from the kiln at 4.15 pm. The temperature within the dishes holding the samples reached a maximum of 677 °C at the highest temperature measured in the kiln (755 °C), and the atmosphere was oxidising. Following the firing, all surfaces of the A samples were oxidised. However, the four samples tempered with dung (3A-6A) displayed an irregular, characteristic zoned fracture pattern with orange-coloured margins (5 YR 6/6) and dark grey-black cores (See Figure 7). This suggested that the oxygen did not have sufficient time to penetrate to the core of the sample during the firing, and the organic matter was not completely oxidised. The fracture structure in most of the Nubian style (both New Kingdom and also Pre-Kerma) ceramics from Sai Island was similar (D’Ercole, et al., 2017a). No significant differences were noticed in the core width based on the type of dung added. In sample 7A (tempered with charcoal) the black core was very narrow and irregular.
All the B samples were completely oxidised and had a uniform orange colour (7.5 YR 7/6) both on the surface and inside (See Figure 8). This may be connected to both the different raw material (clay B) and possibly also the slightly variable atmospheric temperatures, respectively, in the two dishes used to hold the samples. In sum, the contrast between samples A and B illustrated the wide range of possible outcomes when firing organic-tempered samples.
The fibres were clearly visible across the fresh fractures in those samples tempered with organics, but because the amount we added to the paste was so small (c. 2% weight), the samples appeared dense and compact with only a few voids left (See Figure 7). In sample 9B, which was tempered with a double amount of dung, the voids were more numerous, but the paste remained dense. Following the firing, all the samples were reweighed (See Table 3).
| Original weight | Weight after the drying | Weight after the firing | Original weight | Weight after the drying | Weight after the firing | ||
| 1A | 152 | 109 | 98 | 1B | 152 | 113 | 104 |
| 2A | 168 | 121 | 106 | 2B | 168 | 124 | 110 |
| 3A | 166 | 120 | 108 | 3B | 166 | 119 | 112 |
| 4A | 166 | 119 | 100 | 4B | 166 | 121 | 108 |
| 5A | 166 | 121 | 108 | 5B | 166 | 120 | 100 |
| 6A | 166 | 119 | 102 | 6B | 166 | 124 | 106 |
| 7A | 166 | 115 | 106 | 7B | 166 | 123 | 100 |
| 8A | 166 | 119 | 102 | 8B | 166 | 120 | 110 |
| - | - | - | - | 9B | 169 | 126 | 122 |
Table 3. Weight of samples (expressed in grams) from series A and B originally, after the drying, and after the firing.
Petrographic observations
To better investigate the characteristics of the clay raw material and tempers, some samples (all the unfired and four among the fired‒the ones with the closest resemblance to the ancient originals in terms of tempering) were subjected to thin sectioning and further analysed. The intention was to create an experimental reference collection to use as a comparison for the archaeological ceramic material from Sai Island.
| Sample | Clay Matrix composition | Clay colour (dry) | Main mineral phases | D mode (mm) | Tempers | Tempers size (mm) |
| 1A | non-calcareous silty clay | greyish yellow brown (10 YR 5/2) | Qtz, Pl, Kfs, Mic, FeOx, Px, Ep, Opaque (tr) | < 0.062 | none | n.a. |
| 2A | fine sand | ~ 0.125 to 0.25 | ||||
| 3A | goat dung | ~ 0.25 to 0.5 and up to 1.5 | ||||
| 4A | cattle dung | ~ 0.25 to 0.5 and up to 1 | ||||
| 5A | donkey dung | ~ 0.5 to 1 and up to 3 | ||||
| 6A | horse dung | ~ 0.5 to 1 and up to 6 | ||||
| 7A | charcoal | ~ 1 to 2 | ||||
| 8A | calcite | ~ 0.125 to 0.25 | ||||
| 1B | calcareous clay loam | dull yellow orange (10 YR 6/3) | Qtz, Pl, Kfs, Mic, FeOx, Px, Ep, Opaque (tr) & calcium carbonates | 0.062-0.5 | none | n.a. |
| 2B | fine sand | ~ 0.125 to 0.25 | ||||
| 3B | goat dung | ~ 0.25 to 0.5 and up to 1.5 | ||||
| 4B | cattle dung | ~ 0.25 to 0.5 and up to 1 | ||||
| 5B | donkey dung | ~ 0.5 to 1 and up to 3 | ||||
| 6B | horse dung | ~ 0.5 to 1 and up to 6 | ||||
| 7B | charcoal | ~ 1 to 2 | ||||
| 8B | calcite | ~ 0.125 to 0.25 | ||||
| 9B | horse dung | ~ 0.5 to 1 and up to 6 |
Table 4. Petrographical outline of the experimental samples. Abbreviations Qtz, Pl, Kfs, Mic, FeOx, Px, Ep stand for: Quartz, Plagioclase, K-Feldspar, Micas, Fe Oxides, Pyroxene, Epidote.
The samples were impregnated with Araldite® and cut into standard thin sections of 30 microns in thickness. The unfired samples proved challenging to prepare because the samples tempered with organics were very porous and needed to be impregnated several times before and after the cutting of the thin sections to avoid material loss during the grinding and polishing steps.
The preparation of the samples and the petrographic analyses were carried out in the laboratories of the University of Vienna’s Departments of Lithospheric Research and Geodynamics and Sedimentology. A Nikon Eclipse E600 POL microscope was used for the petrographic observations.
Clay raw material
Sample A (ED/14/SAI/11) is a non-calcareous, very fine and homogeneous silty clay containing abundant quartz, mica, and iron oxides. Other mineral phases were plagioclase, pyroxene, epidote, and opaque. The inclusions have a grain size < 0.062 mm. This sample displayed a few pores that were sub-rounded in shape and were most likely formed during the preparation of the paste (See Figure 9a and 9b).
Sample A had a petrography that is highly compatible with the ancient ceramics from Sai Island–both Nubian and Egyptian style local Nile clays (Budka, 2017; D’Ercole, in press.); however, the grain size was much smaller (silt) and did not correspond to the texture of the archaeological samples (See Figure 10). This indicated that either some fine sand was added to the ceramics as a tempering agent or, most likely, that the ancient potters selected a clay raw material that naturally included a larger amount of very fine to fine-grained sand.
Sample B (ED/14/SAI/12) is a calcareous clay loam. This sample displayed a seriate texture, with grain sizes ranging smoothly from the class of very fine (0.062 mm) to medium sand (0.5 mm). Mineral phases were mono- and polycrystalline quartz, feldspar, mica, iron oxides, pyroxene, epidote, and opaque. This sample contained numerous calcium carbonate (microcrystalline calcite aggregates) inclusions up to 5 mm in size. These inclusions were randomly distributed throughout the paste and tended to bond the other clasts together (See Figure 11).
Calcareous aggregates are commonly attested in alluvial weathered deposits, and they mark dry environmental conditions (Nordström, 1972, p. 38; Eramo, et al., 2014; see also Neogi, 2015). Similar microcrystalline calcite aggregates were also observed in the ancient Nubian and Egyptian style ceramics from Sai Island (D’Ercole, et al., 2017a; D’Ercole and Sterba, 2018; D’Ercole, in press.).
Tempers
Samples tempered with sand and with calcite
Samples 2A and 2B were tempered with a small amount of fine sand (5 grams). Irrespective of the raw material, the addition of sand caused the formation of many shrinkage cracks (See Figure 12).
Samples 8A and 8B were tempered with inclusions of microcrystalline calcite ranging in size from 0.125 to 2.5 mm. Except for the size, no significant differences were noticed between the calcareous aggregates naturally present in clay B and those we added.
Samples tempered with animal dung - unfired
Samples 3A and 3B were tempered with goat dung. In thin section, the organic inclusions had an average size of between 0.25 and 0.5 mm, and a maximum size of 1.5 mm (See Figure 13). The vegetal fibres varied in shape and displayed either their longitudinal or transverse section depending on how they were mixed into the paste and how the thin section was sliced. They were generally dispersed throughout the matrix, but they also stacked together, forming larger lumps of organic matter (see Figure 14a). These samples also contain numerous small, high birefringence spherulites. They consisted of radial microcrystalline masses (typically 5–15 μm in size) composed of calcium carbonate, which were typically distinguishable under an optical microscope (Canti and Brochier, 2017; see also Canti, 1998) (See Figure 14b).
Samples 4A and 4B were tempered with cattle dung. The organic fibres in cattle droppings looked very similar to those found in goats and were around the same size (1 mm is the maximum length observed in thin section) (see Figure 15).
Samples 5A and 5B were tempered with donkey dung, and horse dung was used to temper samples 6A, 6B, and 9B. In the first samples, the average size of the organic fibres ranged between 0.5 and 1 mm, with the longest fibre measuring c. 3 mm. In the samples tempered with horse dung, the fibres measured up to c. 5-6 mm (See Figure 16a and 16b).
The fibres in the droppings produced by donkeys and horses were large and flat, with a rather homogeneous morphology. This is most likely due to a more monotonous (compared to goats and cattle) and human-managed diet, consisting primarily of hay and/or fresh grass. Spherulites were absent in these samples.
The disparities observed in the size of the organic tempers can be explained by considering not just the size of the animals and the kind of food they were fed, but also the specific species’ digestive physiologies. Goats and cows, as well as sheep, are polygastric herbivores (or ruminants). They have a four-chambered stomach, and their digestion consists of a lengthy and complex process in which the food is finely macerated (Canti, 1999, p. 254). Donkeys and horses, on the other hand, are caecal digesters with a monogastric digestive system. They have a single-chambered stomach, unlike ruminants, so food travels directly from the oesophagus into the stomach where acids and enzymes help to break it down. Also, unlike ruminants, monogastric herbivores do not chew the cud; their digestive process is much shorter, and the food they ingest is not as finely macerated.
Samples tempered with herbivore dung - after firing
Ceramics are clay products that have been fired. As a result, four thin sections from our fired test discs (i.e., dung-tempered samples 3A, 4A, 5A, and 6A) were also prepared and analysed under the microscope to examine the behaviour of the organic tempers in the archaeological material and compare their sizes before and after firing. Despite the low temperature (c. 680 °C), the organic residues were completely combusted as their combustion happens at even lower temperatures (c. 200°C). As a result, in thin sections, they only produced typical vesicular structures and elongated voids whose size more or less corresponded to the original size of the organic remains (See Figures 17 and 18). In these samples, spherulites were not identified, implying that they were likely destroyed due to thermal breakdown, although they could theoretically survive up to around 700 °C in pottery fired in an oxidising atmosphere (Amicone et al., 2021; Shahack-Gross, 2011; Canti and Nicosia, 2018).
Samples tempered with charcoal
Samples 7A and 7B were tempered with charcoal fragments ranging in size from c. 1-2 mm. Charcoal does not seem to be a suitable temper. These samples were the most challenging to prepare in thin section because they were particularly soft and porous. Many shrinkage cracks were visible both on the surface and under the microscope (See Figure 19). In general, the samples looked brittle and easily breakable.
Discussion and conclusions
Recognising animal dung in archaeological contexts is crucial not only for the study of ceramic technology, but, more broadly, for understanding palaeoecology, human economy, animal diet, and past grazing and animal management practices (Spengler, 2019). The recent development of what is known as the ‘archaeology of dung’ resulted in numerous cross-geographical publications finally recognising animal dung in archaeological deposits as a main fuel source (see e.g., Budka, et al., 2019). Animal dung was also used as a building material and was an indication of herd penning (see e.g., Elliott and Matthews, 2017). Most of these studies focused on the analysis of the microscopic evidence attributable to dung. Through the combination of multi-proxy approaches, investigations of the biological components and potential markers of herbivore dung and the identification of archaeobotanical indications from dung pellets and related sediments was enabled (see among others, Valmonti, 2013; Dalton and Ryan, 2018; Spengler, 2019; Fuks and Dunseth, 2021). Other studies, though less numerous, concerned the identification of dung as a tempering agent in ceramic material (e.g., Amicone, et al., 2021). The present work aimed to offer a contribution in this direction through the experimental reproduction of ceramic test discs tempered with various types of herbivore manure, replicating traditional recipes from the New Kingdom period in Nubia, northern Sudan. Furthermore, the addition of mineral tempers like calcite and sand has also been tested in this experimental protocol, as has the utilisation of local clay sources of different composition and properties, as well as their behaviour during the phases of preparation, drying, and firing of the ceramic body.
The results of this analysis suggest, first and foremost, that properties such as plasticity, workability, and shrinkage were primarily determined by the clay raw material and, only secondarily, by the type of tempers added to the paste. Clay A (riverine silty clay collected in the Nile’s backwaters) was more plastic and had greater volume/mass compared to clay B (high-level clay collected near the New Kingdom town), resulting in faster drying and also displayed more pronounced shrinkage. Furthermore, it was discovered that the ancient potters of Sai Island most likely used a source of clay that was coarser and sandier than clay A. They might have either added a variable amount of fine to very fine sand to this clay type, or they might have mixed clay-type A with a sandy high-level weather soil, such as sample B. In general, we noticed that even a small amount of sand added to the paste led to increased shrinkage. Furthermore, the clay-type B naturally contained scattered inclusions of calcium carbonate (micrite), showing that the Sai Island New Kingdom potters did not always deliberately add them as a tempering agent, but only for specific ceramic fabric types characterised by a significant amount of limestone particles (e.g., Nile clay D fabric) (D’Ercole and Sterba, 2018; D’Ercole, in press.).
Concerning the use of herbivore manure, it was discovered during the experiment that the amount of animal dung we added to the test discs was lower than the percentage contained in most of the archaeological Nubian and Egyptian style ceramics from Sai Island. Only by adding a larger amount of organic temper (> 5% weight) could we possibly have increased clay plasticity, workability, and porosity. Similarly, the characteristic crumbly and soft fracture pattern, observed in the Nubian heavily organic-tempered ceramics (Nubian fabric 3, D’Ercole and Sterba, 2018; D’Ercole, in press.), could only be obtained by adding a larger number of organics, most likely of vegetal origin. Otherwise, charcoal was not a suitable temper. Those samples to which charcoal had been added, even in minimal quantities, appeared to be brittle, porous, and easily breakable.
During the firing, in some samples of set A, the presence of organics inhibited oxidation, resulting in the characteristic black core, commonly observed in most of the ancient Nubian ceramics and in some Egyptian style ware (D’Ercole and Sterba, 2018; D’Ercole, in press). So, although the organic material was burnt out and mostly carbonised, the core of the pottery looked reduced. Otherwise, the width of the core does not seem to vary significantly with respect to the type of organic temper. The different fired colour of the dung-tempered discs B (i.e., fractures completely oxidised throughout) could be attributed to the different type of clay used to make these samples (less organic-rich than clay type A) and/or the specific firing conditions inside the kiln. Further experiments on new test series, as well as re-firing tests on the archaeological ceramic material, could reveal additional information and be critical in elucidating the variations observed so far in the firing regime and atmosphere of the test samples.
Regarding the morphology and size of the voids left by the combustion of the organic materials, we can confirm that both these parameters were primarily determined by the animal’s size (the smaller the animal, the smaller the size of fibres in the dung) and digestive physiology (ruminant digestive system vs. monogastric digestive system). The vegetal fibres in goat and cattle dung (ruminants with a polygastric digestive system) appear fundamentally comparable: fine and tubular-shaped with a maximum size of 3 mm. On the other hand, those from donkeys and horses (herbivores with a monogastric digestive system) were larger and flat-shaped, measuring up to 10 mm in size. Because of their size and morphology, the relicts left by the burnout of donkey and horse dung appeared the most similar to those produced by the direct combustion of plant remains. In any case, when compared to animal dung, all vegetal temper (e.g., hay, grass, chaff) can be regarded as coarse (see Abbink, 1999). An additional factor that can undoubtedly influence the morphology and size of organic relicts, but has yet to be tested in this study, concerns the animal’s type of diet (fresh vs. dry dietary) and the conditions under which the dung was added (e.g., fresh, dry, burnt).
Furthermore, in accordance with other studies (Canti and Brochier, 2017; Amicone, et al., 2021), we observed that spherulites were normally destroyed by heating and were unlikely to be preserved above temperatures of 650-700 °C, unless in reduced quantities and as highly degraded (i.e., darkened spherulites, see Canti and Brochier, 2017, p. 52). They can also only be produced by ruminants with polygastric digestive systems, such as ovicaprines and cattle.
Another point to consider is the size of voids left by the combustion of organic matter, which is typically smaller under the microscope than appears to the naked eye. This depended on the instrumentation, how the thin section was cut, and how the fibres in the paste were oriented. Where the transverse section of the organic fibre was visible, it appeared, in fact, spherical or sub-spherical and obviously smaller in size.
Overall, this experiment has validated and confirmed several of our archaeological interpretations of the ceramic production and technological traditions adopted in Nubia during the New Kingdom period. The similarity recognised between the experimental and archaeological data suggests that the ancient potters of Sai Island likely selected their clay raw materials and tempers on site or near the New Kingdom town. We suggest that they were familiar with and mastered the local resources they had at their disposal, and that they could partially differentiate their recipe (type of clay and tempering agents) based on the form, size, and function of the vessel they needed to produce. In particular, the fine and medium Nubian wares were presumably tempered with goat or (cattle?) dung, whereas medium-coarse wares were possibly tempered with chaff, plant remains or potentially with donkey dung (donkeys were already used in domestic contexts prior to the New Kingdom period, see Chaix, 2019, p. 68). Moreover, one cannot exclude the possibility that ash from burned organics was added to produce fine wares. Hybrid vessels, which were wheel-made but show a Nubian style surface treatment, support the general emerging picture of a productive coalition between colonists (here Egyptian potters) and the indigenous population (more specifically, potters trained for centuries in the Kerma tradition), resulting in the specific local products of Sai, and, in a broader perspective, are characteristic of New Kingdom temple towns and colonial encounters in Nubia.
In terms of the firing process, it must have been at a low temperature resulting in a minimal supply of oxygen, as in most cases the typical relicts left by the combustion of organic materials (as those seen experimentally) were still visible, occasionally together with calcium spherulites (D’Ercole, in press.). Questions regarding kilns for both handmade and wheel-made vessels, as opposed to open firing techniques, need to be investigated further, as does the kind of fuel used for firing pottery. Recent research suggests that fresh wood and animal dung were used in tandem in pottery kilns (see the case of the smelting furnace from Egypt, Verly, et al., 2021), and possibly even for open firing.
A more in-depth investigation of the dung markers added as organics to the clay, as well as the identification of the botanical species represented in the plant remains, could be pursued as a development of this study. This will open new avenues of research and discussions in understanding colonial Nubia’s material culture and production processes in their dynamic contexts. To conclude, the use of animal dung within the large set of pottery production offers important fresh insights into both long-standing traditions and cultural encounters.
Acknowledgements
This paper was written during the ERC DiverseNile project. The project received funding from the European Research Council (ERC) under the European Union’s Horizon 2020 research and innovation programme (grant agreement No. 865463). The idea for the experiments discussed in this paper was developed within the framework of Julia Budka’s ERC AcrossBorders project (grant agreement No. 313668) and the Austrian Science Fund FWF START project Y615-G19. The authors are grateful to the University of Vienna and here, in particular, to Mathias Mehofer, Stefan Eichert, and Hans Reschreiter for enabling AcrossBorders’ participation in the experimental archaeology class at the MAMUZ Museum of Asparn in 2014. Many thanks go to Arvi Korhonen as AcrossBorders’ team member who helped a lot with the experiments at Asparn. We especially wish to thank Vera and Ludwig Albustin for their invaluable contributions during the experiments and their insightful observations on organic-tempering and firing. The kiln firing of the sample discs was carried out by them, and the data on temperature and time of the firing process is all their input. Figure 2 of this paper was kindly prepared by Cajetan Geiger; except for Figures 1, 7 and 8 (Julia Budka), all photos were taken by Giulia D’Ercole.
- 1One must add that there are also some hand-made Egyptian vessels (especially functional vessels like bread plates) and that coil-building as one of the hand-shaping technique is well-attested in both traditions. For a concise overview of shaping methods: Arnold, 1993, especially pp. 15-83.
Keywords
Country
- Sudan
Bibliography
Abbink, A.A., 1999. Make it and Break it: the cycles of pottery A study of the technology, form, function, and use of pottery from the settlements at Uitgeest-Groot Dorregeest and Schagen-Muggenburg 1, Roman period, North-Holland, the Netherlands. Leiden: Archaeological Studies Leiden University.
Amicone, S., Morandi, L. and Shira G.-A., 2021. ‘Seeing shit’: assessing the visibility of dung tempering in ancient pottery using an experimental approach. Environmental Archaeology, 26(4), pp. 423-438.
Arnold, D., 1993. Fascicle 1. Techniques and Traditions of Manufacture in the Pottery of Ancient Egypt. In: D. Arnold, and J. Bourriau, eds. An Introduction to Ancient Egyptian Pottery. Sonderschriften des Deutschen Archäologischen Instituts, Abteilung Kairo 17. Mainz am Rhein: Philipp von Zabern. pp. 9-141.
Biton, R., Goren, Y. and Gorris-Morris, A.N., 2014. Ceramic in the Levantine Pre-Pottery Neolithic B: Evidence from Kfar HarHoresh, Isdral. Journal of Archaeological Science, 41, pp. 740-748.
Budka, J., 2017. III. The pottery from SAV1 North. In: J. Budka, ed. AcrossBorders I. The New Kingdom Town of Sai Island, Sector SAV1 North. Contributions to the Archaeology of Egypt, Nubia and the Levant 4. Vienna: Austrian Academy of Sciences Press. pp. 119-156.
Budka, J., 2019. Pottery of the Middle and the New Kingdom from Lower and Upper Nubia. In: D. Raue, ed. Handbook of Ancient Nubia 1. Berlin, Boston: De Gruyter. pp. 465-489.
Budka, J., 2020. AcrossBorders 2: Living in New Kingdom Sai. Archaeology of Egypt, Sudan and the Levant 1. Vienna: Austrian Academy of Sciences Press.
Budka, J., Geiger, C., Heindl, P. Hinterhuber, V. and Reschreiter, H., 2019. The question of fuel for cooking in ancient Egypt and Sudan. EXARC Journal 2019/1. https://exarc.net/ark:/88735/10398.
Cabadas-Báez, H.V., Sedov, S. Jiménez-Álvarez, S.d.P., Leonard, D., Lailson-Tinoco, B., García-Moll, R., Ancona-Aragón, I.I. and Hernández-Velázquez, M.L., 2018. Soils as a source of raw materials for ancient ceramic production in the Maya region of Mexico: Micromorphological insight. Boletín de la Sociedad Geológica Mexicana, 70(1), pp. 21-48.
Canti, M.G., 1998. The Micromorphological Identification of Faecal Spherulites from Archaeological and Modern Materials. Journal of Archaeological Science, 25, pp. 435-444.
Canti, M.G., 1999. The Production and Preservation of Faecal Spherulites: Animals, Environment and Taphonomy. Journal of Archaeological Science, 26, pp. 251-258.
Canti, M.G. and Brochier, J.E., 2017. Plant ash. In: C. Nicosia, and G. Stoops, eds. Archaeological Soil and Sediment Micromorphology. Hoboken, NJ: Wiley. pp. 147-154.
Canti, M.G., and Nicosia. C., 2018. Formation, Morphology and Interpretation of Darkened Faecal Spherulites. Journal of Archaeological Science, 89, pp. 32-45.
Carrano, J.L., Girty, G.H. and Carrano, C.J., 2009. Re-examining the Egyptian colonial encounter in Nubia through a compositional, mineralogical, and textural comparison of ceramics, Journal of Archaeological Science, 36, pp. 785-797.
Chaix, L., 2019. A Short Story of Human-animal Relationships in Northern Sudan. In: D. Raue, ed. Handbook of Ancient Nubia 1. Berlin, Boston: De Gruyter. pp. 63-81.
Dalton, M., and Ryan. P., 2018. Variable Ovicaprid Diet and Faecal Spherulite Production at Amara West, Sudan. Environmental Archaeology, 25(2), pp. 178-197.
De Paepe, P. and Brysse, Y., 1986. Analyse microscopique et chimique de la céramique de Kerma (Soudan). Genava, XXXIV, pp. 41-45.
D’Ercole, G., 2017. Ceramic manufacturing techniques and cultural traditions in Nubia from the 8th to the 3rd millennium BC. Examples from Sai Island. Oxford: Archaeopress.
D’Ercole, G., 2021. Seventy Years of Pottery Studies in the Archaeology of Mesolithic and Neolithic Sudan. African Archaeological Review, 38, pp. 345-372.
D’Ercole, G., in press. Petrography of the pottery from the New Kingdom town of Sai. In: J. Budka, ed. (with contributions by G. D’Ercole, J.H. Sterba and P. Ruffieux). AcrossBorders 3: Vessels for the home away from Egypt. The pottery corpus from the New Kingdom town of Sai Island. Archaeology of Egypt, Sudan and the Levant, Vienna: Austrian Academy of Sciences Press.
D’Ercole, G. and Sterba, J.H., 2018. From macro wares to micro fabrics and INAA compositional groups: the Pottery Corpus of the New Kingdom town on Sai Island (northern Sudan). In: J. Budka and J. Auenmüller, eds. From Microcosm to Macrocosm: Individual households and cities in Ancient Egypt and Nubia. Leiden: Sidestone press. pp. 171-183.
D’Ercole, G., Budka, J., Sterba, J.H., Garcea, E.A.A., and Mader, D., 2017a. The successful ‘recipe’ for a long lasting tradition:Nubian ceramic assemblages from Sai Island (northern Sudan) from prehistory to the new Kingdom. Antiquity, 91, pp. 24-42.
D’Ercole, G., Garcea, E.A.A., Eramo, G., and Muntoni, I.M., 2017b. Variability and continuity of ceramic manufacturing of prehistoric pottery from Upper Nubia, Sudan: An ethnographic comparison. Journal of Archaeological Science: Reports, 16, pp. 553-563.
Dumpe, B. and Stivrins, N., 2015. Organic Inclusions in Middle and Late Iron Age (5th–12th Century) Hand- Built Pottery in Present-day Latvia. Journal of Archaeological Science, 57, pp. 239-247.
Dzhanfezova, T. 2021. Exploring the Broad Spectrum: Vegetal Inclusions in Early Neolithic Eastern Balkan Pottery. Open Archaeology, 2021(7), pp. 1138-1159.
Elliott, S. and Matthews, W., 2017. A New Multi-Scalar, Multi-Methodology for the Detection, Identification and Analysis of Ancient Animal Dung. Presented at The 81st Annual Meeting of the Society for American Archaeology, Vancouver, British Columbia. 2017 (tDAR id: 429989).
Eramo, G., Aprile, A., Muntoni I.M. and Zerboni, A., 2014. Textural and Morphometric Analysis Applied to Holocene Pottery from Takarkori Rock Shelter (SW Libya, Central Sahara): A Quantitative Sedimentological Approach. Archaeometry, 56, pp. 36-57.
Francigny, V., 2014. An elite Meroitic cemetery at Sai Island. In: J.R. Anderson and D.A. Welsby, eds. The Fourth Cataract and beyond: proceedings of the 12th International Conference for Nubian Studies. Leuven; Paris; Walpole, MA: Peeters. pp. 797-803.
Fuks, D. and Dunseth, Z.C., 2021. Dung in the dumps: what we can learn from multi‑proxy studies of archaeological dung pellets. Vegetation History and Archaeobotany, 30, pp.137-153.
Fuller, D.Q., 2013. Observations on the use of botanical materials in ceramic tempering at Gobero. In: E.A.A. Garcea, ed. Gobero: the no-return frontier—archaeology and landscape at the Saharo–Sahelian borderland. Frankfurt: Africa Magna Verlag. pp 241-248.
Garcea, E.A.A. 2020. The prehistory of the Sudan. Cham: Springer.
Gatto, M.C., 2006. The most ancient pottery from the Dongola Reach (Northern Sudan): New data from the SFDAS survey related to the construction of the Merowe dam. Archéologie du Nil Moyen, 10, pp. 73-86.
Gibbs, K., 2015. Pottery Invention and Innovation in East Asia and the Near East. Cambridge Archaeological Journal, 25(1), pp. 339-351.
Hein, A., Müller, N.S., Day, P.M. and Kilikoglou, V., 2008. Thermal conductivity of archaeological ceramics: The effect of inclusions, porosity and firing temperature. Thermochimica Acta, 480, pp. 35-42.
Keding, B., 2006. Pottery of the Wadi Howar: Traditions, transformations and their implications. In K. Kroeper, M. Chlodnicki, and M. Kobusiewicz, eds. Archaeology of Early Northeastern Africa: In memory of Lech Krzyzaniak. Poznań: Poznan Archaeological Museum. pp. 235-259.
Lancelotti, C., and Madella. M., 2012. The ‘Invisible’ Product: Developing Markers for Identifying Dung in Archaeological Contexts. Journal of Archaeological Science, 39(4), pp. 953-963.
Lechtman, H., 1977. Style in technology: some early thoughts. In: H. Lechtman, and T.S. Merrill, eds. Material culture: style, organization, and dynamics of technology. St Paul: West Publishing Company. pp. 3-20.
Livingstone Smith, A., 2001. Pottery manufacturing processes: reconstruction and interpretation. In: E.A.A. Garcea, ed. Uan Tabu in the Settlement History of the Libyan Sahara. Firenze: All’Insegna del Giglio. pp. 111-150.
London, G., 1981. Dung-tempered Clay. Journal of Field Archaeology, 8(2), pp. 189-195.
Mariotti Lippi, M., and Pallecchi, P., 2016. Organic Inclusions. In: A. Hunt, ed. The Oxford Handbook of Archaeological Ceramic Analysis. Oxford: Oxford University Press. pp. 565-582.
Moskal-del Hoyo, M., Rauba-Bukowska, A., Litynska-Zajac, M., Mueller-Bieniek, A. and Czekaj-Zastawny, A., 2017. Plant materials used as temper in the oldest Neolithic pottery from south-eastern Poland. Vegetation History and Archaeobotany, 26(3), pp. 1-16.
Müller, N.S., Hein, A., Kilikoglou, V. and Day, P.M., 2013. Bronze Age cooking pots: Thermal properties and cooking methods. Préhistoires Méditerranéennes, 4, pp. 2-10.
Müller, N.S., 2016. Mechanical and Thermal Properties. In: A. Hunt, ed. The Oxford Handbook of Archaeological Ceramic Analysis. Oxford: Oxford University Press. pp. 603-624.
Neogi, S., 2015. Geoarchaeological survey of the hinterland of the Pharaonic town. In: J. Budka, G. D’Ercole, F.B.J. Heinrich, S. Neogi, M. Semple, A. Sonnberger, A. Stadlmayr, M. Wohlschlager, AcrossBorders – Fieldwork 2015 on Sai Island (NORTH PROVINCE, SUDAN), 2015 SEASON REPORT https://acrossborders.oeaw.ac.at/wp-content/uploads/2014/03/AcrossBorders-Fieldwork-Report-Sai-2015.pdf. pp. 18-19.
Nordström, H.- Å., 1972. Neolithic and A-Group sites. Oslo: Scandinavian University Press.
Nordström, H.- Å., and Bourriau, J., 1993. Fascicle 2. Ceramic technology: clays and fabrics. In: D. Arnold, and J. Bourriau, eds. An Introduction to Ancient Egyptian Pottery. Sonderschriften des Deutschen Archäologischen Instituts, Abteilung Kairo 17. Mainz am Rhein: Philipp von Zabern. pp. 143-190.
Reid, K.C., 1984. Fire and Ice: New Evidence for the Production and Preservation of Late Archaic Fiber-Tempered Pottery in the Middle-Latitude Lowlands. American Antiquity, 49(1), pp. 55-76.
Rice, P., 2015, Pottery Analysis: A Sourcebook. Second Edition. Chicago: The University of Chicago Press.
Shahack-Gross, R., 2011. Herbivorous Livestock Dung: Formation, Taphonomy, Methods for Identification and Archaeological Significance. Journal of Archaeological Science, 38, pp. 205-218.
Sillar, B. and Tite, M.S., 2000. The Challenge of ‘Technological Choices’ for Materials Science Approaches in Archaeology. Archaeometry, 42(2), pp. 2-20.
Skibo, J.M., Schiffer, M.B. and Reid, K.C., 1989. Organic-tempered pottery: an experimental study. American Antiquity, 54(1), pp. 122-146.
Smith, S.T., 2021. The Nubian Experience of Egyptian Domination During the New Kingdom. In: G. Emberling and B.B. Williams, eds., The Oxford handbook of ancient Nubia. Oxford: Oxford University Press, pp. 369-394.
Spataro, M., Millet, M. and Spencer, N., 2015. The New Kingdom settlement of Amara West (Nubia, Sudan): mineralogical and chemical investigation of the ceramics. Archaeological and Anthropological Sciences, 7, pp. 399-421.
Spengler, R.N. III, 2019. Dung burning in the archaeobotanical record of West Asia: where are we now? Vegetation History and Archaeobotany, 28, pp. 215-227.
Tsydenova, N., Andreeva, D. and Zech, W., 2017. Early pottery in Transbaikal Siberia: New data from Krasnaya Gorka. Quaternary International, 441, pp. 81-90.
Valmonti, S.M., 2013. Towards a distinction between digested and undigested glume bases in the archaeobotanical record from Neolithic northern Greece: A preliminary experimental investigation. Environmental Archaeology, 18(1), pp. 31-42.
Velde, B. and Druc, I.C., 1999. Archaeological Ceramic Material. Origin and Utilization, Berlin: Springer Berlin Heidelberg.
Verly, G., Rademakers, F.W., Somaglino, C., Tallet, P., Delvaux, L. and Degryse, P., 2021. The chaîne opératoire of Middle Kingdom smelting batteries and the problem of fuel: excavation, experimental and analytical studies on ancient Egyptian metallurgy. Journal of Archaeological Science: Reports 37 (article no. 102708) DOI: 10.1016/j.jasrep.2020.102708
Wang, L. and Sebillaud, P., 2019. The Emergence of Early Pottery in East Asia: New Discoveries and Perspectives. Journal of World Prehistory, 32(1), pp. 73-110.
Warden, L.A. 2021. Ceramic perspectives on ancient Egyptian society. Cambridge Elements: Elements in Ancient Egypt in Context. Cambridge: Cambridge University Press.
Winchell, F., Stevens, C.J., Murphy, C., Champion, L., and Fuller, D.Q., 2017. Evidence for sorghum domestication in fourth millennium BC Eastern Sudan. Current Anthropology, 58(5), pp. 673-683.
Yanshina, O., 2017. The earliest pottery of the eastern part of Asia: Similarities and differences. Quaternary International, 441, pp. 69-80.
